ZCZP通用電磁閥
- 銷售:021-32051999
- 銷售:021-32050777
- 傳真:021-66099555
詳情介紹
- 產品介紹
- 服務承諾
- 訂貨流程
ZCZP通用電磁閥適用于以蒸汽為加熱介質,進行溫度自動控制的執行機構。可對蒸汽加熱器、散熱器、干燥器等蒸汽設備及各類溫度自控儀、蒸汽定型機、蒸汽機、蒸汽回潮機等成套設備的鍋爐蒸汽管道進行二位式自動控制和遠程控制。廣泛應用于染化、紡織、印染、食品、醫藥、卷煙、水泥制品、石油化工、冶金等部門的自控系統。
結構特點
1.耐熱:電磁部分、密封件部分用特種耐高溫電工材料和密封材料,并應用了各種隔熱措施。
2.耐磨:選材合理,閥杯和導向套間巧妙地利用流體的滑潤作用,減少磨損。
3.耐冷凝:蒸汽管道的冷凝水是影響蒸汽電磁閥動作的重要因素,本閥則不受冷凝水影響。
結構原理
本閥是有副閥和主閥兩大部件構成的先導式二次開闊的電磁閥。是靠副閥的啟閉來控制主閥的通斷。根據斷電時所處開關狀態的不同,可分為常閉電磁閥和常開電磁閥。常閉電磁閥,在段點常位時,副閥口封閉,主閥呈斷路,當電訊號進入導閥線圈時,活動鐵芯受電磁力作用吸上打開副閥口,主閥閥杯內壓力導速消失,介質壓力將主閥閥杯托上,開啟主閥,工作介質便可流通。但當電訊號消失時,活動鐵芯復位,封閉住副閥口,工作介質自平衡孔進入閥內,當壓力趨于平衡時,靠主閥彈簧,閥杯自重及介質壓力使閥杯下移,嚴密封住主閥口,閥有呈封閉狀態。常開電磁閥,在斷電常位時,有彈簧作用,副閥口打開,主閥流通。當電訊號進入副閥線圈時,活動鐵芯受電磁作應吸下,當壓力趨于平衡時,靠主閥彈簧、閥杯自重及介質壓力使閥杯下移,嚴密封住閥口,閥門呈關閉狀態。當主閥斷電時,電磁力消失,副閥找開,主閥杯內壓力迅速消失,介質壓力將主閥閥杯托上,開啟主閥口,介質流通,閥呈開啟狀態。
型號說明

主要技術參數
介質種類 | 蒸汽、常溫液體、氣體等、高溫液體、氣體 | ||||||||||||||
介質溫度(℃) | ≤200 | ||||||||||||||
工稱壓力(Mpa) | 1.6 | ||||||||||||||
電源電壓 | AC220V·DC24V其余規格可作特殊訂貨 | ||||||||||||||
公稱通徑(mm) | 15 | 20 | 25 | 32 | 40 | 50 | 65 | 80 | 100 | 125 | 150 | 200 | 250 | 300 | 350 |
流量系數 Kv值 | 2.8 | 5 | 8.5 | 12 | 18 | 28 | 45 | 70 | 110 | 180 | 250 | 600 | 870 | 1000 | 1320 |
工作壓力(Mpa) | 0.04~1.6 | 0.1~1.6 | |||||||||||||
功率 VA | 40 30 | 50 | |||||||||||||
閥體材質 | 鑄鋼和不銹鋼 | ||||||||||||||

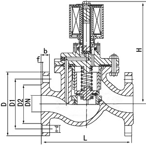
主要外形尺寸
公稱通徑 | 內螺紋連接 | 法蘭連接 | |||||||||
內螺紋 | 外形尺寸 | 外形尺寸 | 法蘭尺寸 | ||||||||
G | H | L | H | L | D | D1 | D2 | n-d | b | f | |
15 | 1/2 | 148 | 92 | 176 | 130 | 95 | 65 | 46 | 4-Ø14 | 14 | 2 |
20 | 3/4 | 148 | 92 | 181 | 150 | 105 | 75 | 56 | 4-Ø14 | 16 | 2 |
25 | 1 | 148 | 110 | 210 | 160 | 115 | 85 | 65 | 4-Ø14 | 16 | 3 |
32 | 1 1/4 | 182 | 120 | 221 | 180 | 140 | 100 | 76 | 4-Ø18 | 18 | 3 |
40 | 1 1/2 | 182 | 140 | 230 | 200 | 150 | 110 | 84 | 4-Ø18 | 18 | 3 |
50 | 2″ | 192 | 162 | 252 | 230 | 165 | 125 | 99 | 4-Ø18 | 20 | 3 |
65 | 260 | 290 | 185 | 145 | 118 | 4-φ18 | 20 | 3 | |||
80 | 260 | 310 | 200 | 160 | 132 | 4-φ18 | 20 | 3 | |||
100 | 290 | 350 | 220 | 180 | 156 | 4-φ18 | 22 | 3 | |||
125 | 365 | 400 | 250 | 210 | 184 | 4-φ18 | 22 | 3 | |||
150 | 400 | 480 | 285 | 240 | 211 | 4-φ22 | 24 | 3 | |||
200 | 443 | 600 | 340 | 295 | 266 | 4-φ26 | 24 | 3 | |||
250 | 493 | 750 | 395 | 350 | 319 | 4-φ26 | 26 | 4 | |||
300 | 549 | 850 | 445 | 400 | 370 | 4-φ26 | 28 | 4 | |||
350 | 600 | 980 | 520 | 470 | 429 | 4-φ26 | 30 | 4 | |||
良好的品質、優良的服務 奇高為你創造更多價值!
“奇高閥門”的期望,不斷提升服務質量,精益求精,“真誠的服務”是“奇高”永恒的主題。“奇高”嚴格按照IS09001-2000 質量體系認證要求,質量嚴格把關, 責任到人,確保生產、銷售、服務的健康運行。加強與用戶溝通,竭誠為廣大客戶提供優良產品,貼心服務。特此我廠做出以下承諾:
產品標準:
產品嚴格按照中國GB、HG 標準和美國API等標準設計、制造、驗收。密封面硬度達到國家規定要求,寬度超過國家標準。
售前服務:
產品介紹,技術交流,非標產品設計,疑難解答。
售中服務:
守信合同,及時供貨,隨時保持與客戶聯系。 對特殊或復制的產品,我廠安排技術人員對用戶進行產品使用、故障排除
售后服務:
1、“奇高”牌產品品質期為自出廠起12個月,實行“三包”服務(包退、包換、保修)。
2、產品在使用中我廠定期組織技術、質檢人員進行訪問,征詢用戶對產品質量、 使用狀況、改進意見等方面的反饋, 以便進一步提高產品質量。
3、對用戶投訴質量問題,快速作出反應,售后服務人員在24-36小時(省外48小時)趕赴現場。
4、對售后服務,要求用戶填寫服務后的質量反饋信息表,并作出鑒定意見,以便提高奇高的服務質量。
1、客戶如對產品有特殊要求,須在訂貨合同中提供以下說明:
a、結構長度;
b、連接形式;
c、公稱直徑、全通徑、縮徑、管道尺寸;
d、運行介質及溫度、壓力范圍;
e、試驗、檢驗標準及其他要求
2、本廠可根據客戶特定要求配置各類驅動裝置。
3、如由客戶提供確定的閥門類型和型號時,客戶應正確說明其型號的含義和要求,在供需雙方理解一致的條件下簽訂合同。
4、期貨、訂貨的客戶請先來電函詳細告訴所需的閥門型號、規格、數量以及交貨時間、地點,并按總的30%預定金或全額貨款及時匯入我廠帳戶,其余貨款待發貨前匯入,以便及時安排發貨。
訂單流程:
1、客戶采購清單傳真至021-33872143,或來電咨詢 021-33872141
2、收到客戶采購清單,為客戶提供閥門型號選型與報價(價格清單)。
3、具體商定:交貨期、特殊要求等事宜。
訂貨須知:
1、客戶如對產品有特殊要求,須在訂貨合同中提供以下說明:
|
|||||
|
|||||
2、本廠可根據客戶特定要求配置各類驅動裝置。
|
|||||
3、如由客戶提供確定的閥門類型和型號時,客戶應正確說明其型號的含義和要求,在供需雙方理解一致的條件下簽訂合同。
|
|||||
4、期貨、訂貨的客戶請先來電函詳細告訴所需的閥門型號、規格、數量以及交貨時間、地點,并按總的30%預定金或全額貨款及時匯入我廠賬戶, 其余貨款待發貨前匯入,以便及時安排發貨。
|
售中服務:
守信合同,及時供貨,隨時保持與客戶聯系。
對特殊或復制的產品,我廠安排技術人員對用戶進行產品使用、故障排除
售后服務:
1、“奇高”產品品質期為自出廠起12個月,實行“三包”服務(包退、包換、保修)。
2、產品在使用中我廠定期組織技術、質檢人員進行訪問,征詢用戶對產品質量、使用狀況、改進意見等方面的反饋,
以便進一步提高產品質量。
3、對用戶投訴質量問題,快速作出反應,售后服務人員在24-36小時(省外48小時)趕赴現場。
4、對售后服務,要求用戶填寫服務后的質量反饋信息表,并作出鑒定意見,以便提高“奇高”的服務質量。
聲明 |
|