- ball
- Gate valve
- butterfly valve
- Regulating valve
- Cut-off valve
- Globe valve
- Check valve
- Knife Gate Valve
- Safety valve
- Pressure relief valve
- Drain valve
- Plug valve
- Diaphragm valve
- Discharge valve
- Exhaust valve
- Filter
- Solenoid valve
- Needle valve
- Plunger valve
- Copper valve
- Compensator
- Hydraulic control valve
- Electric two way valve
- Vacuum valve
- Thermal insulation valve
- Flame arrester
- Breathing valve
- Balance valve
- Sludge discharge valve
- Ammonia valve
- Metallurgical valves
- Fluorine valve
- Low temperature valve
- Power station valve
- Natural gas valves
- Other valves
- Inlet valve
- Import actuator
D671X pneumatic clip type soft sealed butterfly valve

- sell:021-32051999
- sell:021-32050777
- fax:021-66099555
Details
- Product Introduction
- Service Promise
- Ordering Process
D671X pneumatic butterfly valve with double eccentric structure has the sealing function of tighter and tighter with reliable sealing performance. The stainless steel and NBR oil resistant rubber pairs are used for sealing materials, and the service life is long. Rubber sealing ring can be located on the valve body, can also be located on the butterfly plate, can be applied to different characteristics of the medium for users to choose. The butterfly plate adopts a frame structure with high strength, large flow area and small flow resistance. The integral baking paint can effectively prevent corrosion and can be used in different media as long as the sealing material of the sealing valve seat is changed. D671X pneumatic butterfly valve with two-way sealing function, installation is not controlled by the flow of media, and is not affected by the spatial position, can be installed in any direction. The valve has unique structure, flexible operation, labor saving and convenience.
Structural features of pneumatic clip type soft sealed butterfly valve
D671X pneumatic butterfly valve adopts the center plate structure, mainly composed of valve body, valve plate, valve shaft, valve seat and transmission device, simple and compact structure, compact, compact, convenient transportation, installation, disassembly; 90 degrees of opening and closing, switching quickly, operating torque is small, light; good sealing performance, long service life, can be It achieves zero leakage, and its flow characteristics are similar to straight lines with good regulation performance. The valve is sealed with rubber. The sealing performance of butterfly plate and seat is good when closing. The two-way sealing performance is excellent. The torque value is small. The valve keeps 100% zero leakage under working pressure and the friction between butterfly plate and seat seal is small. D671X pneumatic clamp butterfly valve driven by valve shaft valve plate, valve plate 90 degrees rotation. Butterfly plate opening and closing flexible, no card jam, beating phenomenon, torque is small.
Application of pneumatic clamp type soft seal butterfly valve
Soft-sealed midline butterfly valve, double eccentric flange butterfly valve structure compact, 90 degrees rotation switch easy, reliable sealing, long service life, D671X pneumatic butterfly valve clip widely used in water plants, power plants, steel plants, paper, chemical industry, light textile, food and other water supply and drainage, gas pipelines to work to regulate the flow rate and the role of intercepting media.
Pneumatic pair clip type soft sealing butterfly valve actuator
D671X pneumatic butterfly valve adopts a new series of GT pneumatic actuators, with double-acting and single-acting (spring reset), gear transmission, safe and reliable; large-caliber valve adopts series AW pneumatic actuator pull-out fork drive, reasonable structure, output torque.
1. Cut off accessories: single electronic controlled solenoid valve, double electronic control solenoid valve, limit switch switch.
2. Adjustable accessories: Electrical positioner, pneumatic positioner and electrical converter.
3, air source processing accessories: air filter pressure regulating valve, gas source processing triplet.
4. Adopt electric-pneumatic valve positioner, with electric signal and compressed air as power, accept 0-10 mA DC or 4-20 mA DC current signal input from the control system, convert compressed air into air source pressure signal input and output by the regulator, change the rotating angle of valve plate (0-90 degrees arbitrary angle), have better control flow and other parameters. number
5. Using electromagnetic directional valve and valve position returner, AC220V or DC24V power supply voltage and compressed air as power to realize fast two-position cut-off control of fluid medium. Pneumatic actuator adopts piston-type cylinder and crank-arm conversion structure, with large output torque, small volume, and high protection grade with fully sealed waterproof design.
6. Cylinder block adopts mirror cylinder, no oil lubrication, small friction coefficient, corrosion resistance, super durability and reliability. All transmission bearings are lubricated by boundary self lubricating bearings to ensure that the transmission shaft is not damaged.
Pneumatic clip on soft seal butterfly valve parts material
Part name | Material Science |
valve body | Gray iron, ductile iron, cast steel, stainless steel and special materials. |
Disc | Ductile iron, cast steel, stainless steel and alloy steel |
Valve shaft | 2Cr13, stainless steel |
Seal ring | Nitrile rubber, polytetrafluoroethylene |
filler | O ring, flexible graphite |


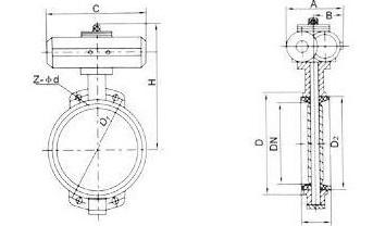
Nominal pathDN(mm) | Structure length(mm) | Shape size(mm) | Connection size(standard value) | |||||||||
0.6MPa | 1.0MPa | 1.6MPa | ||||||||||
millimeter | inch | L | H1 | H0 | A | B | D0 | n-d | D0 | n-d | D0 | n-d |
50 | 2" | 43 | 63 | 315 | 180 | 65 | 110 | 4-14 | 125 | 4-18 | 125 | 4-18 |
65 | 2 1/2" | 46 | 70 | 330 | 180 | 65 | 130 | 4-14 | 145 | 4-18 | 145 | 4-18 |
80 | 3" | 46 | 83 | 390 | 245 | 72 | 150 | 4-18 | 160 | 8-18 | 160 | 8-18 |
100 | 4" | 52 | 105 | 431 | 240 | 72 | 170 | 4-18 | 180 | 8-18 | 180 | 8-18 |
125 | 5" | 56 | 115 | 455 | 240 | 72 | 200 | 8-18 | 210 | 8-18 | 210 | 8-18 |
150 | 6" | 56 | 137 | 626 | 350 | 93 | 225 | 8-18 | 240 | 8-22 | 240 | 8-22 |
200 | 8" | 60 | 164 | 720 | 350 | 93 | 280 | 8-18 | 295 | 8-22 | 295 | 12-22 |
250 | 10 | 68 | 206 | 800 | 550 | 350 | 335 | 12-18 | 350 | 12-22 | 355 | 12-26 |
300 | 12 | 78 | 230 | 860 | 600 | 350 | 395 | 12-22 | 400 | 12-22 | 410 | 12-26 |
350 | 14 | 78 | 248 | 883 | 600 | 350 | 445 | 12-22 | 460 | 16-22 | 470 | 16-26 |
400 | 16 | 102 | 89 | 972 | 600 | 350 | 495 | 16-22 | 515 | 16-26 | 525 | 16-30 |
450 | 18 | 114 | 320 | 1043 | 750 | 380 | 550 | 16-22 | 565 | 20-26 | 585 | 20-30 |
500 | 20 | 127 | 343 | 1098 | 750 | 380 | 600 | 20-22 | 620 | 20-26 | 650 | 20-33 |
600 | 24 | 154 | 413 | 1236 | 750 | 380 | 705 | 20-26 | 725 | 20-30 | 770 | 20-36 |
700 | 28 | 165 | 478 | 1431 | 750 | 380 | 810 | 24-26 | 840 | 24-30 | 840 | 24-36 |
800 | 32 | 190 | 25 | 1488 | 750 | 380 | 920 | 24-30 | 950 | 24-33 | 950 | 24-39 |
900 | 36 | 203 | 620 | 1615 | 1250 | 380 | 1020 | 24-30 | 1050 | 28-33 | 1050 | 28-39 |
1000 | 40 | 216 | 725 | 1795 | 1500 | 580 | 1120 | 28-30 | 1160 | 28-36 | 1170 | 28-42 |
1200 | 48 | 254 | 780 | 1976 | 1500 | 580 | 1340 | 32-33 | 1380 | 32-39 | 1390 | 32-48 |
The best quality, first-class service Qigao creates more value for you!
"Qigao Valve" expects to continuously improve service quality and strive for excellence. "Sincere service" is the eternal theme of "Qigao". "Qigao" strictly followsIS09001-2000 Quality system certification requirements, strict quality control, responsibility to people, to ensure the healthy operation of production, sales and service. Strengthen communication with users and provide quality products to our customers with perfection and perfect service. Hereby our factory makes the following commitments:
Product Standards:
Products in strict accordance with ChinaGB、HG Standard and USAPISuch as standard design, manufacturing, acceptance. The hardness of the sealing surface meets the requirements of the state and the width exceeds the national standard.
pre-sale service:
Product introduction, technical exchange, non-standard product design, troubleshooting。
Sale service:
A trustworthy contract guarantees timely delivery and keeps in touch with customers. For special or duplicate products, our factory arranges technicians to use and troubleshoot the products for users.
After sales service:
1、"Qigao" brand product quality period is from the factory12In the month, the implementation of the "three guarantees" service (return, replacement, warranty).
2、During the use of our products, our factory regularly organizes technical and quality inspection personnel to visit and consult users for feedback on product quality, usage status and improvement opinions, so as to further improve product quality.
3、Respond quickly to the quality of user complaints, after-sales service personnel rushed to the scene in 24-36 hours (48 hours outside the province).
4、For after-sales service, users are required to fill out the quality feedback information form after the service and make an appraisal opinion in order to improve the service quality of Qigao.
1、If the customer has special requirements for the product, the following instructions must be provided in the order contract.:
a、Structure length;
b、Connection Type;
c、Nominal diameter, full diameter, reduced diameter, pipe size;
d、Operating medium and temperature, pressure range;
e、Tests, inspection standards and other requirements
2、The factory can configure various types of driving devices according to customer's specific requirements.。
3、If the type and model of the valve are determined by the customer, the customer shall correctly state the meaning and requirements of the model and sign the contract under the condition that the supplier and the buyer understand each other.
4、For futures and order customers, please call us in advance to tell the required valve model, specification, quantity, delivery time and location, and timely transfer to the factory account according to the total 30% deposit or full payment. The rest of the payment is pending. Import before shipment to arrange delivery in time.
Order Process:
1、Customer purchase list fax to021-33872143,Or call us 021-33872141
2、Receive customer purchase list, provide valve model selection and quotation (price list)。
3、Specific agreement: delivery date, special requirements, etc.。
download Google:
1、If the customer has special requirements for the product, the following instructions must be provided in the order contract.:
|
|||||
|
|||||
2、The factory can configure various types of driving devices according to customer's specific requirements.。
|
|||||
3、If the type and model of the valve are determined by the customer, the customer shall correctly state the meaning and requirements of the model and sign the contract under the condition that the supplier and the buyer understand each other.
|
|||||
4、For futures and order customers, please call us first to tell the required valve model, specifications, quantity, delivery time and location, and press the total30%The deposit or full payment will be remitted to our factory account in time., The rest of the payment will be remitted before shipment to arrange delivery in time.。
|
Sale service:
Trustworthy contract, guarantee timely delivery, keep in touch with customers at any time。
For special or duplicate products, our factory arranges technicians to use and troubleshoot the products for users.
After sales service:
1、"Qigao" product quality period is from the factory12Month, practice“Three packs”Service (return, replacement, warranty)。
2、During the use of our products, our factory regularly organizes technical and quality inspection personnel to visit and consult users for feedback on product quality, usage status and improvement opinions.,
In order to further improve product quality。
3、Respond quickly to the quality of user complaints, after-sales service personnel24-36Hours (outside the province48Hour) rushed to the scene。
4、For after-sales service, the user is required to fill out the quality feedback information form after the service and make an appraisal opinion in order to improve the service quality of “Qigao”.。
statement |
|