H71H/W對夾升降式止回閥
- 銷售:021-32051999
- 銷售:021-32050777
- 傳真:021-66099555
詳情介紹
- 產品介紹
- 服務承諾
- 訂貨流程
H71H/W對夾升降式止回閥由閥體、閥瓣、彈簧等組成,水平或垂直安裝于管路系統,防止介質倒流,具有結構短、體積小、質量輕;閥瓣關閉快速,水錘壓力小;流道通暢,流體阻力小;動作靈敏,密封性能好。
主要技術參數
型號 | 公稱通徑 | 試驗壓力 | 工作溫度 | 適用溫度 | |
殼體 | 密封 | ||||
H71H-16Q | 1.6 | 2.4 | 1.76 | ≤235℃ | 水、蒸氣、油品等 |
H71H-25Q | 2.5 | 3.75 | 2.75 | ≤235℃ | |
H71W-25H | ≤300℃ | ||||
H71W-25P | ≤200℃ | 硝酸等腐蝕性介質 | |||
H71W-40H | 4.0 | 6.0 | 4.4 | ≤300℃ | |
H71W-40P | ≤200℃ | 水、蒸氣 | |||
主要零件材料
型號 | 閥門 | 閥瓣 | 彈簧 |
H71H-16Q H71H-25Q | QT400-15 | 25 | 50CrVA |
H71W-25H H71W-40H | 2Cr13 | 1Cr13 | 1Cr18Ni9 |
H71W-25P H71W-40P | ZG1Cr18Ni9Ti | 1Cr18Ni9Ti | 1Cr18Ni9Ti |

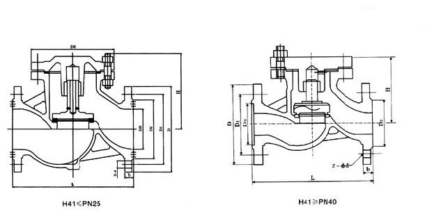
主要外形尺寸
公稱通徑 | L | D | 公稱通徑 | L | D | ||||
1.6 | 2.5 | 4.0 | 1.6 | 2.5 | 4.0 | ||||
15 | 25 | 48 | 48 | 48 | 80 | 71 | 140 | 140 | 140 |
20 | 31.5 | 58 | 58 | 58 | 100 | 80 | 160 | 165 | 165 |
25 | 35.5 | 68 | 68 | 68 | 125 | 110 | 190 | 195 | 195 |
32 | 40 | 80 | 80 | 870 | 150 | 125 | 215 | 225 | 225 |
40 | 45 | 90 | 90 | 90 | 200 | 160 | 270 | 285 | 390 |
50 | 56 | 105 | 105 | 105 | 250 | 200 | 330 | 340 | 350 |
65 | 63 | 125 | 125 | 125 | 300 | 250 | 385 | 400 | 415 |
法蘭連接尺寸:鐵制閥門按GB4216.4(5)-84標準,鋼制閥門按GB/T9113.1-2000標準。
良好的品質、優良的服務 奇高為你創造更多價值!
“奇高閥門”的期望,不斷提升服務質量,精益求精,“真誠的服務”是“奇高”永恒的主題。“奇高”嚴格按照IS09001-2000 質量體系認證要求,質量嚴格把關, 責任到人,確保生產、銷售、服務的健康運行。加強與用戶溝通,竭誠為廣大客戶提供優良產品,貼心服務。特此我廠做出以下承諾:
產品標準:
產品嚴格按照中國GB、HG 標準和美國API等標準設計、制造、驗收。密封面硬度達到國家規定要求,寬度超過國家標準。
售前服務:
產品介紹,技術交流,非標產品設計,疑難解答。
售中服務:
守信合同,及時供貨,隨時保持與客戶聯系。 對特殊或復制的產品,我廠安排技術人員對用戶進行產品使用、故障排除
售后服務:
1、“奇高”牌產品品質期為自出廠起12個月,實行“三包”服務(包退、包換、保修)。
2、產品在使用中我廠定期組織技術、質檢人員進行訪問,征詢用戶對產品質量、 使用狀況、改進意見等方面的反饋, 以便進一步提高產品質量。
3、對用戶投訴質量問題,快速作出反應,售后服務人員在24-36小時(省外48小時)趕赴現場。
4、對售后服務,要求用戶填寫服務后的質量反饋信息表,并作出鑒定意見,以便提高奇高的服務質量。
1、客戶如對產品有特殊要求,須在訂貨合同中提供以下說明:
a、結構長度;
b、連接形式;
c、公稱直徑、全通徑、縮徑、管道尺寸;
d、運行介質及溫度、壓力范圍;
e、試驗、檢驗標準及其他要求
2、本廠可根據客戶特定要求配置各類驅動裝置。
3、如由客戶提供確定的閥門類型和型號時,客戶應正確說明其型號的含義和要求,在供需雙方理解一致的條件下簽訂合同。
4、期貨、訂貨的客戶請先來電函詳細告訴所需的閥門型號、規格、數量以及交貨時間、地點,并按總的30%預定金或全額貨款及時匯入我廠帳戶,其余貨款待發貨前匯入,以便及時安排發貨。
訂單流程:
1、客戶采購清單傳真至021-33872143,或來電咨詢 021-33872141
2、收到客戶采購清單,為客戶提供閥門型號選型與報價(價格清單)。
3、具體商定:交貨期、特殊要求等事宜。
訂貨須知:
1、客戶如對產品有特殊要求,須在訂貨合同中提供以下說明:
|
|||||
|
|||||
2、本廠可根據客戶特定要求配置各類驅動裝置。
|
|||||
3、如由客戶提供確定的閥門類型和型號時,客戶應正確說明其型號的含義和要求,在供需雙方理解一致的條件下簽訂合同。
|
|||||
4、期貨、訂貨的客戶請先來電函詳細告訴所需的閥門型號、規格、數量以及交貨時間、地點,并按總的30%預定金或全額貨款及時匯入我廠賬戶, 其余貨款待發貨前匯入,以便及時安排發貨。
|
售中服務:
守信合同,及時供貨,隨時保持與客戶聯系。
對特殊或復制的產品,我廠安排技術人員對用戶進行產品使用、故障排除
售后服務:
1、“奇高”產品品質期為自出廠起12個月,實行“三包”服務(包退、包換、保修)。
2、產品在使用中我廠定期組織技術、質檢人員進行訪問,征詢用戶對產品質量、使用狀況、改進意見等方面的反饋,
以便進一步提高產品質量。
3、對用戶投訴質量問題,快速作出反應,售后服務人員在24-36小時(省外48小時)趕赴現場。
4、對售后服務,要求用戶填寫服務后的質量反饋信息表,并作出鑒定意見,以便提高“奇高”的服務質量。
聲明 |
|