CCQ-A氣動超高真空插板閥
- 銷售:021-32051999
- 銷售:021-32050777
- 傳真:021-66099555
詳情介紹
- 產品介紹
- 服務承諾
- 訂貨流程
CCQ-A型系列氣動超高真空插板閥是用壓縮空氣為動力,通過電磁換向閥改變氣路方向,推動氣缸活塞,驅動閥板作上下運動,實現閥門的開啟或關閉,從而達到在超高真空系統中接通或切斷氣流的目的。
CCQ-A型系列氣動超高真空插板閥適用的工作介質為潔凈的空氣和非腐蝕性氣體。
主要技術性能
適用范圍(Pa) | 105~1.3x10-7 |
閥門漏率(Pa.L/S) | DN≤200為≤1.3x10-7 |
閥門烘烤溫度(℃) | ≤150(除傳動裝置外) |
開閥時閥板兩側壓力差(Pa) | ≤2.7x103 |
氣源壓力(MPa) | 0.4~0.6 |
電源電壓 | 標準出廠:AC220V/50Hz |
信號反饋 | 標準出廠:不帶反饋信號 |

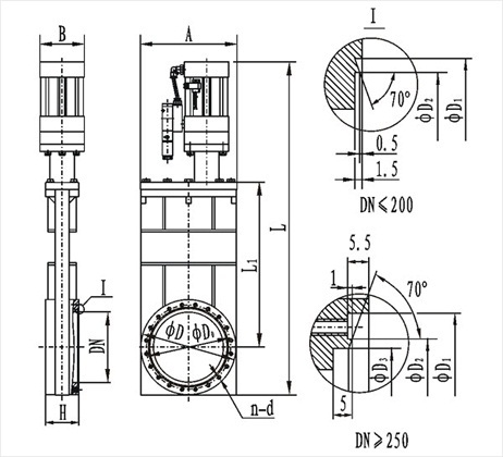
主要外形連接尺寸
型號 | 通徑(DN) | ΦD | ΦD0 | ΦD1 | ΦD2 | ΦD3 | H | A | n-d | L | L1 | B | 法蘭標準 |
CCQ-50A | 50 | 89 | 72.4 | 61.6 | 55.6 | / | 60 | 91 | 8-M8 | 515 | 153 | 62 | GB/T6071 |
CCQ-63A | 63 | 114 | 92.1 | 82.6 | 76.6 | / | 65 | 105 | 8-M8 | 590 | 180 | 62 | |
CCQ-80A | 80 | 130 | 110 | 99 | 93 | / | 65 | 130 | 16-M8 | 608 | 220 | 75 | |
CCQ-100A | 100 | 152 | 130.2 | 120.7 | 114.7 | / | 70 | 152 | 16-M8 | 655 | 267 | 94 | |
CCQ-150A | 150 | 202 | 181 | 171.5 | 165.5 | / | 70 | 202 | 20-M8 | 707 | 350 | 94 | |
CCQ-200A | 200 | 254 | 231.8 | 222.3 | 216.6 | / | 80 | 251 | 24-M8 | 806 | 426 | 112 | |
CCQ-250A | 250 | 314 | 288 | 308 | 275 | 271 | 85 | 300 | 24-M10 | 1125 | 550 | 112 | JB5278 |
CCQ-300A | 300 | 365 | 338 | 353 | 323 | 318 | 90 | 352 | 32-M10 | 1195 | 613 | 140 | / |
良好的品質、優良的服務 奇高為你創造更多價值!
“奇高閥門”的期望,不斷提升服務質量,精益求精,“真誠的服務”是“奇高”永恒的主題。“奇高”嚴格按照IS09001-2000 質量體系認證要求,質量嚴格把關, 責任到人,確保生產、銷售、服務的健康運行。加強與用戶溝通,竭誠為廣大客戶提供優良產品,貼心服務。特此我廠做出以下承諾:
產品標準:
產品嚴格按照中國GB、HG 標準和美國API等標準設計、制造、驗收。密封面硬度達到國家規定要求,寬度超過國家標準。
售前服務:
產品介紹,技術交流,非標產品設計,疑難解答。
售中服務:
守信合同,及時供貨,隨時保持與客戶聯系。 對特殊或復制的產品,我廠安排技術人員對用戶進行產品使用、故障排除
售后服務:
1、“奇高”牌產品品質期為自出廠起12個月,實行“三包”服務(包退、包換、保修)。
2、產品在使用中我廠定期組織技術、質檢人員進行訪問,征詢用戶對產品質量、 使用狀況、改進意見等方面的反饋, 以便進一步提高產品質量。
3、對用戶投訴質量問題,快速作出反應,售后服務人員在24-36小時(省外48小時)趕赴現場。
4、對售后服務,要求用戶填寫服務后的質量反饋信息表,并作出鑒定意見,以便提高奇高的服務質量。
1、客戶如對產品有特殊要求,須在訂貨合同中提供以下說明:
a、結構長度;
b、連接形式;
c、公稱直徑、全通徑、縮徑、管道尺寸;
d、運行介質及溫度、壓力范圍;
e、試驗、檢驗標準及其他要求
2、本廠可根據客戶特定要求配置各類驅動裝置。
3、如由客戶提供確定的閥門類型和型號時,客戶應正確說明其型號的含義和要求,在供需雙方理解一致的條件下簽訂合同。
4、期貨、訂貨的客戶請先來電函詳細告訴所需的閥門型號、規格、數量以及交貨時間、地點,并按總的30%預定金或全額貨款及時匯入我廠帳戶,其余貨款待發貨前匯入,以便及時安排發貨。
訂單流程:
1、客戶采購清單傳真至021-33872143,或來電咨詢 021-33872141
2、收到客戶采購清單,為客戶提供閥門型號選型與報價(價格清單)。
3、具體商定:交貨期、特殊要求等事宜。
訂貨須知:
1、客戶如對產品有特殊要求,須在訂貨合同中提供以下說明:
|
|||||
|
|||||
2、本廠可根據客戶特定要求配置各類驅動裝置。
|
|||||
3、如由客戶提供確定的閥門類型和型號時,客戶應正確說明其型號的含義和要求,在供需雙方理解一致的條件下簽訂合同。
|
|||||
4、期貨、訂貨的客戶請先來電函詳細告訴所需的閥門型號、規格、數量以及交貨時間、地點,并按總的30%預定金或全額貨款及時匯入我廠賬戶, 其余貨款待發貨前匯入,以便及時安排發貨。
|
售中服務:
守信合同,及時供貨,隨時保持與客戶聯系。
對特殊或復制的產品,我廠安排技術人員對用戶進行產品使用、故障排除
售后服務:
1、“奇高”產品品質期為自出廠起12個月,實行“三包”服務(包退、包換、保修)。
2、產品在使用中我廠定期組織技術、質檢人員進行訪問,征詢用戶對產品質量、使用狀況、改進意見等方面的反饋,
以便進一步提高產品質量。
3、對用戶投訴質量問題,快速作出反應,售后服務人員在24-36小時(省外48小時)趕赴現場。
4、對售后服務,要求用戶填寫服務后的質量反饋信息表,并作出鑒定意見,以便提高“奇高”的服務質量。
聲明 |
|