J91W/H卡套式針型閥
- 銷售:021-32051999
- 銷售:021-32050777
- 傳真:021-66099555
詳情介紹
- 產品介紹
- 服務承諾
- 訂貨流程
主要性能參數
1. 制造標準:GB/T12224-2005 JB/T7747-1995
2. 連接形式:卡套式
3. 結構特征:錐面密封,活動閥瓣
4. 閥門檢驗及試驗:GB/T13927-1992
5. 公稱壓力:≤10000Psi
6. 適用工作溫度:-40℃~+350℃
7. 適用介質:水,油,氣等腐蝕性與非腐蝕性介質
8. 公稱通徑:DN6,DN10,DN15,DN20,DN25…
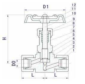
主要零件材料
序號 | 零件名稱 | 材質 |
1 | 卡套 | 20# A105 SS304 SS304L SS316 SS316L |
2 | 連接螺母 | 20# A105 SS304 SS304L SS316 SS316L |
3 | 閥體 | 20# A105 SS304 SS304L SS316 SS316L |
4 | 閥蓋墊片 | 紫銅PTFE RTFE |
5 | 閥蓋 | 20# A105 SS304 SS304L SS316 SS316L |
6 | 填料墊 | PTFE 柔性石墨、金屬盤根 |
7 | 填料 | PTFE 柔性石墨 |
8 | 填料壓蓋 | 20# A105 SS304 SS304L SS316 SS316L |
9 | 鎖緊螺母 | 20# A105 SS304 SS304L SS316 SS316L |
10 | 閥桿 | 20# A105 SS304 SS304L SS316 SS316L |
11 | 手輪 | 20# A105 SS304 SS304L SS316 SS316L |
12 | 帶帽螺母 | 20# A105 SS304 SS304L SS316 SS316L |

主要外形尺寸
D0 | L | H | D1 |
ø8 | 38 | 92 | ø70 |
ø10 | 38 | 92 | ø70 |
ø12 | 39 | 92 | ø70 |
ø14 | 40 | 94 | ø70 |
ø18 | 42 | 100 | ø80 |
良好的品質、優良的服務 奇高為你創造更多價值!
“奇高閥門”的期望,不斷提升服務質量,精益求精,“真誠的服務”是“奇高”永恒的主題。“奇高”嚴格按照IS09001-2000 質量體系認證要求,質量嚴格把關, 責任到人,確保生產、銷售、服務的健康運行。加強與用戶溝通,竭誠為廣大客戶提供優良產品,貼心服務。特此我廠做出以下承諾:
產品標準:
產品嚴格按照中國GB、HG 標準和美國API等標準設計、制造、驗收。密封面硬度達到國家規定要求,寬度超過國家標準。
售前服務:
產品介紹,技術交流,非標產品設計,疑難解答。
售中服務:
守信合同,及時供貨,隨時保持與客戶聯系。 對特殊或復制的產品,我廠安排技術人員對用戶進行產品使用、故障排除
售后服務:
1、“奇高”牌產品品質期為自出廠起12個月,實行“三包”服務(包退、包換、保修)。
2、產品在使用中我廠定期組織技術、質檢人員進行訪問,征詢用戶對產品質量、 使用狀況、改進意見等方面的反饋, 以便進一步提高產品質量。
3、對用戶投訴質量問題,快速作出反應,售后服務人員在24-36小時(省外48小時)趕赴現場。
4、對售后服務,要求用戶填寫服務后的質量反饋信息表,并作出鑒定意見,以便提高奇高的服務質量。
1、客戶如對產品有特殊要求,須在訂貨合同中提供以下說明:
a、結構長度;
b、連接形式;
c、公稱直徑、全通徑、縮徑、管道尺寸;
d、運行介質及溫度、壓力范圍;
e、試驗、檢驗標準及其他要求
2、本廠可根據客戶特定要求配置各類驅動裝置。
3、如由客戶提供確定的閥門類型和型號時,客戶應正確說明其型號的含義和要求,在供需雙方理解一致的條件下簽訂合同。
4、期貨、訂貨的客戶請先來電函詳細告訴所需的閥門型號、規格、數量以及交貨時間、地點,并按總的30%預定金或全額貨款及時匯入我廠帳戶,其余貨款待發貨前匯入,以便及時安排發貨。
訂單流程:
1、客戶采購清單傳真至021-33872143,或來電咨詢 021-33872141
2、收到客戶采購清單,為客戶提供閥門型號選型與報價(價格清單)。
3、具體商定:交貨期、特殊要求等事宜。
訂貨須知:
1、客戶如對產品有特殊要求,須在訂貨合同中提供以下說明:
|
|||||
|
|||||
2、本廠可根據客戶特定要求配置各類驅動裝置。
|
|||||
3、如由客戶提供確定的閥門類型和型號時,客戶應正確說明其型號的含義和要求,在供需雙方理解一致的條件下簽訂合同。
|
|||||
4、期貨、訂貨的客戶請先來電函詳細告訴所需的閥門型號、規格、數量以及交貨時間、地點,并按總的30%預定金或全額貨款及時匯入我廠賬戶, 其余貨款待發貨前匯入,以便及時安排發貨。
|
售中服務:
守信合同,及時供貨,隨時保持與客戶聯系。
對特殊或復制的產品,我廠安排技術人員對用戶進行產品使用、故障排除
售后服務:
1、“奇高”產品品質期為自出廠起12個月,實行“三包”服務(包退、包換、保修)。
2、產品在使用中我廠定期組織技術、質檢人員進行訪問,征詢用戶對產品質量、使用狀況、改進意見等方面的反饋,
以便進一步提高產品質量。
3、對用戶投訴質量問題,快速作出反應,售后服務人員在24-36小時(省外48小時)趕赴現場。
4、對售后服務,要求用戶填寫服務后的質量反饋信息表,并作出鑒定意見,以便提高“奇高”的服務質量。
聲明 |
|