Q41F軟密封球閥

- 銷售:021-32051999
- 銷售:021-32050777
- 傳真:021-66099555
詳情介紹
- 產品介紹
- 服務承諾
- 訂貨流程
Q41F軟密封球閥不僅結構簡單、密封性能好,而且在一定的公稱通經范圍內體積較小、重量輕、材料耗用少、安裝尺寸小,并且驅動力矩小,操作簡便、易實現快速啟閉,是近十幾年來發展較快的閥門品種之一。軟密封球閥是由旋塞閥演變而來的,它的啟閉件作為一個球體,利用球體繞閥桿的軸線旋轉90°實現開啟和關閉的目的。軟密封球閥在管道上主要用于切斷、分配和改變介質流動方向,在化工產品、醫藥和食品經營種;在水電、火電和核電的電力經營系統中;在城市和工業企業的給排水、供熱、和供氣系統中;在農田的排灌系統中;在治金經營系統中得以廣泛的應用,是一種與經營建設、國防建設和人民生活息息相關的重要機械產品。手動軟密封球閥密閉在各類管路系統種用于截斷或接通介質流,使介質按照預定的程序輸送到各個指定點。
軟密封球閥產品特點
(1)流體阻力小,其阻力系數與同長度的管段相等。
(2)結構簡單、體積小、重量輕。
(3)緊密可靠,目前球閥的密封面材料廣泛使用塑料、密封性好,在真空系統中也已廣泛使用。
(4)操作方便,開閉迅速,從全開到全關只要旋轉90°,便于遠距離的控制。
(5)維修方便,球閥結構簡單,密封圈一般都是活動的,拆卸更換都比較方便。
(6)在全開或全閉時,球體和閥座的密封面與介質隔離,介質通過時,不會引起閥門密封面的侵蝕。
(7)適用范圍廣,通徑從小到幾毫米,大到幾米,從高真空到高壓力都可應用。 球旋轉90度時,在進、出口處應全部呈現球面,從而截斷流動。
軟密封球閥 主要零件材料
序號 | 零件名稱 | 國標材質 | 美標材質 |
1 | 閥體 | WCB | A216-WCB |
2 | 密封圈 | PTFE | PTFE |
3 | 球體 | 1Cr18Ni9Ti | SS304 |
4 | 螺母 | 35 | A194-2H |
5 | 螺柱 | 35CrMoA | A193-B7 |
6 | 石體 | WCB | A216-WCB |
7 | 墊片 | 柔性石墨+不銹鋼 | B12.10-304/F.G |
8 | 填料 | PTFE | PTFE |
9 | 填料壓蓋 | WCB | A216-WCB |
0 | 定位片 | 25 | A105 |
11 | 擋圈 | 65Mn | AISI 1066 |
12 | 手柄 | K33 | A47-667 Gr.32510 |
13 | 閥桿 | 1Cr33 | A276-410 |
14 | 螺釘 | 35 | A193-B7 |
15 | 止推墊片 | PTFE | PTFE |
軟密封球閥 技術規范
設計依據 | 國標系列 | 美標系列 | |
設計標準 | GB/T12237 | AP16D | ANSI B16.34 |
法蘭連接結構長度 | GB/T12221 | AP16D | ANSI B16.10 |
結構長度焊接 | GB/T15188.1 | AP16D | ANSI B16.10 |
連接法蘭 | GB/T9113 | ANSI B16.5、B16.47 | |
對焊端 | GB/T12224 | ASNI B16.25 | |
試驗和檢驗 | GB/T9092 | AP16D | AP1598 |
軟密封球閥 性能規范
壓力等級 | 試驗壓力(MPa) | ||
公稱壓力(PN) | 磅級(Class) | 殼體試驗 | 密封試驗 |
1.0 | - | 1.5 | 1.1 |
1.6 | - | 2.5 | 1.76 |
2.5 | - | 3.8 | 2.75 |
4.0 | - | 6.0 | 4.4 |
6.4 | - | 9.6 | 7.04 |
- | 150 | 3.0 | 2.2 |
- | 300 | 7.6 | 5.6 |
- | 600 | 15.0 | 11.0 |
- | 10K | 2.4 | 1.5 |
- | 20K | 5.8 | 4.0 |
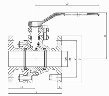
軟密封球閥 主要外形尺寸
PN1.6MPa外形尺寸
公稱通徑DN | 15 | 20 | 25 | 32 | 40 | 50 | 65 | 80 | 100 | 125 | 150 | 200 |
L | 130 | 140 | 150 | 165 | 180 | 200 | 220 | 250 | 280 | 320 | 360 | 400 |
H | 59 | 63 | 75 | 85 | 95 | 107 | 142 | 152 | 178 | 252 | 272 | 342 |
W | 130 | 130 | 160 | 180 | 230 | 230 | 400 | 400 | 650 | 1050 | 1050 | 1410 |
Wt(Kg) | 2.5 | 3 | 5 | 6 | 7 | 10 | 15 | 19 | 33 | 58 | 93 | 160 |
法蘭連接尺寸 | GB/T9113、JB/T79、HG/T20594 |
PN2.5MPa外形尺寸
公稱通徑DN | 15 | 20 | 25 | 32 | 40 | 50 | 65 | 80 | 100 | 125 | 150 | 200 |
L | 130 | 140 | 150 | 165 | 180 | 200 | 220 | 250 | 320 | 400 | 400 | 550 |
H | 59 | 63 | 75 | 97 | 107 | 142 | 152 | 178 | 252 | 272 | 342 | 345 |
W | 130 | 130 | 160 | 230 | 230 | 400 | 400 | 700 | 1100 | 1100 | 1500 | 1500 |
Wt(Kg) | 2.5 | 3 | 5 | 6 | 7.5 | 10 | 15 | 20 | 33 | 60 | 93 | 175 |
法蘭連接尺寸 | GB/T9113、JB/T79、HG/T20594 |
PN4.0MPa外形尺寸
公稱通徑DN | 15 | 20 | 25 | 32 | 40 | 50 | 65 | 80 | 100 | 125 | 150 | 200 |
L | 130 | 140 | 150 | 180 | 200 | 220 | 250 | 280 | 320 | 400 | 400 | 400 |
H | 59 | 63 | 75 | 85 | 95 | 107 | 142 | 152 | 178 | 252 | 272 | 342 |
W | 130 | 130 | 160 | 230 | 230 | 400 | 400 | 700 | 1100 | 1100 | 1500 | 1500 |
Wt(Kg) | 3 | 4 | 5 | 7 | 9 | 12 | 18 | 28 | 46 | 75 | 106 | 190 |
法蘭連接尺寸 | GB/T9113、JB/T79、HG/T20594 |
PN6.4MPa外形尺寸
公稱通徑DN | 15 | 20 | 25 | 32 | 40 | 50 | 65 | 80 | 100 | 125 | 150 | 200 |
L | 165 | 190 | 216 | 229 | 241 | 292 | 330 | 356 | 432 | 508 | 559 | 660 |
H | 59 | 63 | 75 | 97 | 107 | 142 | 152 | 178 | 252 | 272 | 305 | 398 |
W | 130 | 130 | 160 | 230 | 230 | 400 | 400 | 700 | 1100 | 1100 | 1500 | 1800 |
Wt(Kg) | 6.5 | 7 | 8 | 12 | 14 | 18 | 28 | 40 | 65 | 98 | 140 | 250 |
法蘭連接尺寸 | GB/T9113、JB/T79、HG/T20594 |
良好的品質、優良的服務 奇高為你創造更多價值!
“奇高閥門”的期望,不斷提升服務質量,精益求精,“真誠的服務”是“奇高”永恒的主題。“奇高”嚴格按照IS09001-2000 質量體系認證要求,質量嚴格把關, 責任到人,確保生產、銷售、服務的健康運行。加強與用戶溝通,竭誠為廣大客戶提供優良產品,貼心服務。特此我廠做出以下承諾:
產品標準:
產品嚴格按照中國GB、HG 標準和美國API等標準設計、制造、驗收。密封面硬度達到國家規定要求,寬度超過國家標準。
售前服務:
產品介紹,技術交流,非標產品設計,疑難解答。
售中服務:
守信合同,及時供貨,隨時保持與客戶聯系。 對特殊或復制的產品,我廠安排技術人員對用戶進行產品使用、故障排除
售后服務:
1、“奇高”牌產品品質期為自出廠起12個月,實行“三包”服務(包退、包換、保修)。
2、產品在使用中我廠定期組織技術、質檢人員進行訪問,征詢用戶對產品質量、 使用狀況、改進意見等方面的反饋, 以便進一步提高產品質量。
3、對用戶投訴質量問題,快速作出反應,售后服務人員在24-36小時(省外48小時)趕赴現場。
4、對售后服務,要求用戶填寫服務后的質量反饋信息表,并作出鑒定意見,以便提高奇高的服務質量。
1、客戶如對產品有特殊要求,須在訂貨合同中提供以下說明:
a、結構長度;
b、連接形式;
c、公稱直徑、全通徑、縮徑、管道尺寸;
d、運行介質及溫度、壓力范圍;
e、試驗、檢驗標準及其他要求
2、本廠可根據客戶特定要求配置各類驅動裝置。
3、如由客戶提供確定的閥門類型和型號時,客戶應正確說明其型號的含義和要求,在供需雙方理解一致的條件下簽訂合同。
4、期貨、訂貨的客戶請先來電函詳細告訴所需的閥門型號、規格、數量以及交貨時間、地點,并按總的30%預定金或全額貨款及時匯入我廠帳戶,其余貨款待發貨前匯入,以便及時安排發貨。
訂單流程:
1、客戶采購清單傳真至021-33872143,或來電咨詢 021-33872141
2、收到客戶采購清單,為客戶提供閥門型號選型與報價(價格清單)。
3、具體商定:交貨期、特殊要求等事宜。
訂貨須知:
1、客戶如對產品有特殊要求,須在訂貨合同中提供以下說明:
|
|||||
|
|||||
2、本廠可根據客戶特定要求配置各類驅動裝置。
|
|||||
3、如由客戶提供確定的閥門類型和型號時,客戶應正確說明其型號的含義和要求,在供需雙方理解一致的條件下簽訂合同。
|
|||||
4、期貨、訂貨的客戶請先來電函詳細告訴所需的閥門型號、規格、數量以及交貨時間、地點,并按總的30%預定金或全額貨款及時匯入我廠賬戶, 其余貨款待發貨前匯入,以便及時安排發貨。
|
售中服務:
守信合同,及時供貨,隨時保持與客戶聯系。
對特殊或復制的產品,我廠安排技術人員對用戶進行產品使用、故障排除
售后服務:
1、“奇高”產品品質期為自出廠起12個月,實行“三包”服務(包退、包換、保修)。
2、產品在使用中我廠定期組織技術、質檢人員進行訪問,征詢用戶對產品質量、使用狀況、改進意見等方面的反饋,
以便進一步提高產品質量。
3、對用戶投訴質量問題,快速作出反應,售后服務人員在24-36小時(省外48小時)趕赴現場。
4、對售后服務,要求用戶填寫服務后的質量反饋信息表,并作出鑒定意見,以便提高“奇高”的服務質量。
聲明 |
|