Q47H卸灰球閥
- 銷售:021-32051999
- 銷售:021-32050777
- 傳真:021-66099555
詳情介紹
- 產品介紹
- 服務承諾
- 訂貨流程
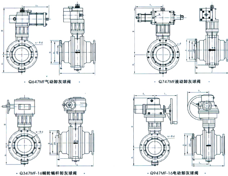
Q47H卸灰球閥/Q947H電動卸灰球閥/Q647H氣動卸灰球閥在石油、天然氣、煤炭和礦石的開采、提煉加工和管道輸送系統中;在化工產品、醫藥和食品生產種;在水電、火電和核電的電力生產系統中;在城市和工業企業的給排水、供熱、和供氣系統中;在農田的排灌系統中;在治金生產系統中得以廣泛的應用,是一種與生產建設、國防建設和人民生活息息相關的重要機械產品。球閥密閉在各類管路系統種用于截斷或接通介質流,使介質按照預定的程序輸送到各個指定點。
卸灰球閥 產品特點
1、手動部分可采用鋼板壓制的手柄或不銹鋼鑄造的手柄。手柄設有限位結構,在閥門開啟、關閉的位置設定限位,當閥門使用在關鍵裝置上時,限位塊上設有鎖孔可鎖定開 關位置避免誤操作。手柄上有明顯地開和關標識。
2、閥桿采用A182F(1Cr13)整體鍛造并調制處理,硬度達到HB220~250。閥桿通過平鍵或花鍵或方契與手柄連接,通用性強,拆裝方便。閥桿設有防吹出結構。
3、閥門的填料選用編結、柔性石墨密封圈或四氟烯密封圈,使得閥桿在一定的潤滑情況下實現可靠的密封。
4、根據需要,球閥可設計成防靜電結構,在球體與閥桿、閥桿與閥體之間設置導電彈簧,避免靜電打火點燃易燃物質,確保系統安全。
5、密封副形式多樣。根據不同工況可選用軟密封、硬密封、防火閥座等結構;DN150以下為浮球形式,DN200以下為固定球形式。
6、球閥閥座處可設置輔助密封結構,在閥座和閥桿部位加裝注脂閥,緊急情況下可暫時密封,并可根據需要加長閥桿以適宜埋地鋪設得場所。
卸灰球閥 主要零件材料
閥體 | 閥桿 | 閥球 | 密封面 | 墊片 | 填料 | 工作溫度 | 適用介質 |
WCB | 1Cr13 | 1Cr13 | 1Cr13 司太立合金 本體材料 | 柔性石墨 不銹鋼加柔性石墨 08軟鋼 F304 F316 | 柔性石墨 編結石墨 | -29-425℃ | 水、蒸汽、油品 |
WC6 | 15CrMo | 15CrMo | -29-425℃ | ||||
WC9 | 25Cr2MoV | 25Cr2MoV | |||||
LCB | 304 | 304 | -46-354℃ | ||||
CF8 | 304 | 304 | -196-600℃ | 部分酸、堿 | |||
CF3 | 304L | 304L | |||||
CF8M | 316 | 316 | |||||
CF3M | 316L | 316L |

卸灰球閥 主要外形尺寸
公稱壓力 | 50 | 65 | 80 | 100 | 125 | 150 | 200 | 250 | 300 | 350 | 400 | 450 | 500 | |
系列1L | 216 | 241 | 283 | 305 | 356 | 394 | 457 | 533 | 610 | 686 | 762 | 864 | 914 | |
系列2L | - | - | - | - | - | - | 500 | 600 | 700 | 800 | 900 | - | 1000 | |
H | 102 | 114 | 127 | 152 | 184 | 219 | 273 | 360 | 395 | 430 | 470 | 550 | 580 | |
手動 | H1 | 107 | 125 | 152 | 178 | 300 | 330 | 398 | 495 | 580 | 625 | 670 | 698 | 840 |
E | - | - | - | - | - | - | 115 | 116 | 171 | 171 | 257 | 257 | 257 | |
F | - | - | - | - | - | - | 350 | 350 | 400 | 420 | 400 | 420 | 400 | |
W | 230 | 400 | 400 | 650 | 1050 | 1050 | 600 | 600 | 800 | 800 | 800 | 800 | 800 | |
WT(KG) | 12 | 16 | 22 | 35 | 58 | 74 | 205 | 322 | 460 | 576 | 864 | 1280 | 1600 | |
電動 | H2 | - | - | - | - | - | 554 | 600 | 652 | 760 | 770 | 830 | - | 940 |
L1 | - | - | - | - | - | 235 | 235 | 235 | 259 | 400 | 400 | - | 410 | |
氣動 | H3 | 274 | 379 | 389 | 479 | 552 | 666 | 736 | 926 | 1059 | 1127 | 1127 | 1468 | 1538 |
L2 | 270 | 405 | 405 | 576 | 576 | 776 | 776 | 776 | 1060 | 1060 | 1060 | 1360 | 1360 | |
良好的品質、優良的服務 奇高為你創造更多價值!
“奇高閥門”的期望,不斷提升服務質量,精益求精,“真誠的服務”是“奇高”永恒的主題。“奇高”嚴格按照IS09001-2000 質量體系認證要求,質量嚴格把關, 責任到人,確保生產、銷售、服務的健康運行。加強與用戶溝通,竭誠為廣大客戶提供優良產品,貼心服務。特此我廠做出以下承諾:
產品標準:
產品嚴格按照中國GB、HG 標準和美國API等標準設計、制造、驗收。密封面硬度達到國家規定要求,寬度超過國家標準。
售前服務:
產品介紹,技術交流,非標產品設計,疑難解答。
售中服務:
守信合同,及時供貨,隨時保持與客戶聯系。 對特殊或復制的產品,我廠安排技術人員對用戶進行產品使用、故障排除
售后服務:
1、“奇高”牌產品品質期為自出廠起12個月,實行“三包”服務(包退、包換、保修)。
2、產品在使用中我廠定期組織技術、質檢人員進行訪問,征詢用戶對產品質量、 使用狀況、改進意見等方面的反饋, 以便進一步提高產品質量。
3、對用戶投訴質量問題,快速作出反應,售后服務人員在24-36小時(省外48小時)趕赴現場。
4、對售后服務,要求用戶填寫服務后的質量反饋信息表,并作出鑒定意見,以便提高奇高的服務質量。
1、客戶如對產品有特殊要求,須在訂貨合同中提供以下說明:
a、結構長度;
b、連接形式;
c、公稱直徑、全通徑、縮徑、管道尺寸;
d、運行介質及溫度、壓力范圍;
e、試驗、檢驗標準及其他要求
2、本廠可根據客戶特定要求配置各類驅動裝置。
3、如由客戶提供確定的閥門類型和型號時,客戶應正確說明其型號的含義和要求,在供需雙方理解一致的條件下簽訂合同。
4、期貨、訂貨的客戶請先來電函詳細告訴所需的閥門型號、規格、數量以及交貨時間、地點,并按總的30%預定金或全額貨款及時匯入我廠帳戶,其余貨款待發貨前匯入,以便及時安排發貨。
訂單流程:
1、客戶采購清單傳真至021-33872143,或來電咨詢 021-33872141
2、收到客戶采購清單,為客戶提供閥門型號選型與報價(價格清單)。
3、具體商定:交貨期、特殊要求等事宜。
訂貨須知:
1、客戶如對產品有特殊要求,須在訂貨合同中提供以下說明:
|
|||||
|
|||||
2、本廠可根據客戶特定要求配置各類驅動裝置。
|
|||||
3、如由客戶提供確定的閥門類型和型號時,客戶應正確說明其型號的含義和要求,在供需雙方理解一致的條件下簽訂合同。
|
|||||
4、期貨、訂貨的客戶請先來電函詳細告訴所需的閥門型號、規格、數量以及交貨時間、地點,并按總的30%預定金或全額貨款及時匯入我廠賬戶, 其余貨款待發貨前匯入,以便及時安排發貨。
|
售中服務:
守信合同,及時供貨,隨時保持與客戶聯系。
對特殊或復制的產品,我廠安排技術人員對用戶進行產品使用、故障排除
售后服務:
1、“奇高”產品品質期為自出廠起12個月,實行“三包”服務(包退、包換、保修)。
2、產品在使用中我廠定期組織技術、質檢人員進行訪問,征詢用戶對產品質量、使用狀況、改進意見等方面的反饋,
以便進一步提高產品質量。
3、對用戶投訴質量問題,快速作出反應,售后服務人員在24-36小時(省外48小時)趕赴現場。
4、對售后服務,要求用戶填寫服務后的質量反饋信息表,并作出鑒定意見,以便提高“奇高”的服務質量。
聲明 |
|